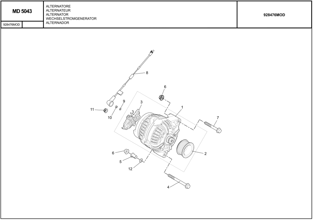
Item Part No. Name Remarks / Characteristi cs Qty Machine applicability 1 797312 Alternator 1 2 796593 Pulley 1 3 796594 Governor 1 4 796595 Screw H M10-110, M10 1 5 796596 Dowel bush 1 6 796167 Nut 2 7 796002 Screw H M10-85, M10 1 8 796597 Wiring harness 1 9 796598 washer D5 1 10 796599 nut HM,M5 1 11 795952 Nut M8 1 12 796600 Washer D10 1
